YMCA “Cosmosphere”
Wichita, Kansas
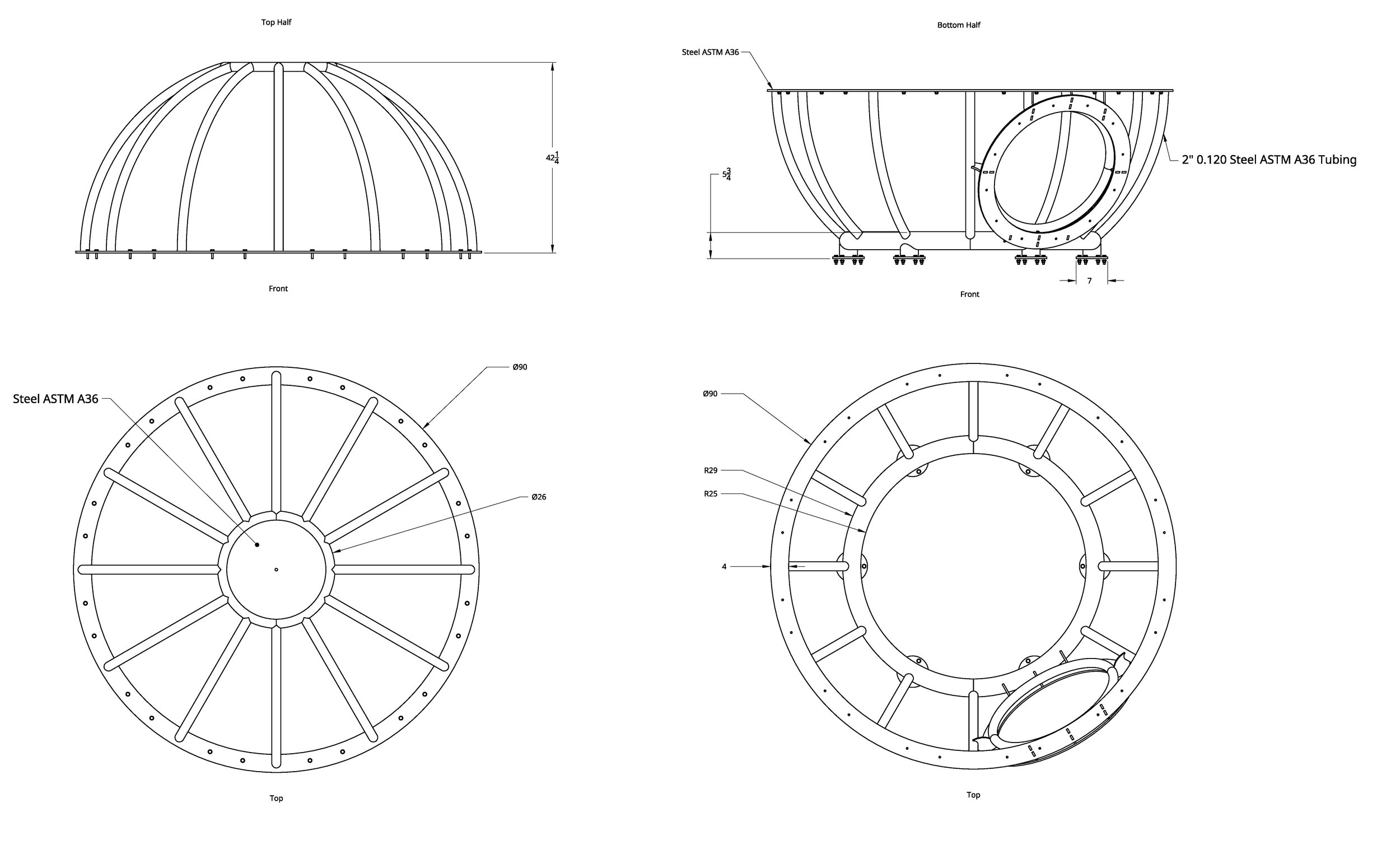
A space-themed climbing structure featuring 2 climbing structures connected via a tunnel, with a smaller observation structure in the middle. The climber is situated in an atrium so that it is viewable from above. Due to the nature of the project, climbers had to be approved by an outside structural engineering firm.
Project Manager: Kurtis Moellmann
Drafter: Aaron Theesfeld

